BF-11B24-E05

BF-11B24-E05
BF-11B24-E05

Brake, 摩擦, Power On brake, BF系列-11, 1.25 英寸 Outside Diameter, 0.3125 英寸 Bore, 24 Vdc, 5.0 in-lbs 靜態力矩


  • 電磁加電制動器提供了一種停止和/或保持負載的高效、可電氣切換的方法?,F場(電磁)組件通過法蘭被固定和防止旋轉,電樞組件被固定在軸上。當線圈通電時,電樞接合固定磁場(電磁)組件的摩擦表面,從而停止和/或保持負載。
  • 靜態或動態嚙合

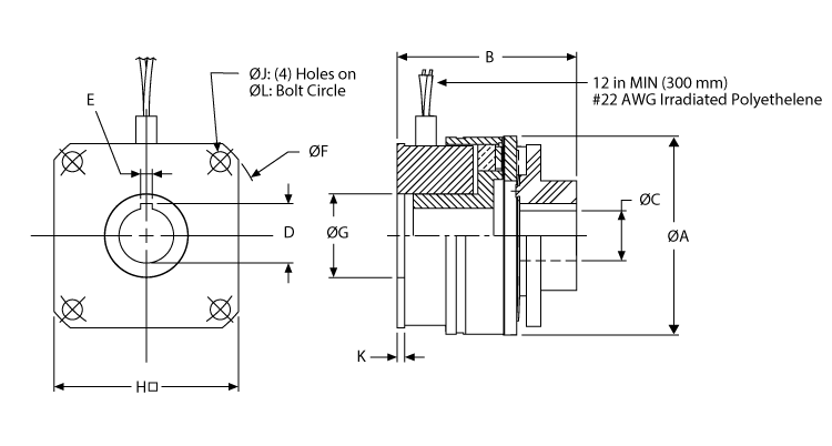
Dimensions

dimensions
尺寸價值
[A]1.25 英寸
[B]1.14 英寸
[C] Hub ID Ø, Min/Max0.3125 英寸 
[D] 最大值.364 in 
[E] 最大值.094 in 
[F]1.498 英寸
[G]0.53 英寸
[H]1.17 英寸
[J].125 英寸
[K]0.05 英寸
[L]1.31 英寸

Specifications

Specifications價值
(CB) [A] ODHolding 
(CB) [A] ODBrake 
(CB) [A] OD11 
Voltage24 Vdc 
Weight0.2 lb
材質鋼  
拋光拋光 

Performance

Performance價值
靜態力矩5 in-lbs

Get Quote

*Please fill out the information below so we can best assist you: