CS-26B24-M10-M10

CS-26B24-M10-M10
CS-26B24-M10-M10

Clutch, 摩擦, Shaft Mounted Clutch, CS系列-26, 10 毫米 Bore, 24 Vdc


  • 電磁離合器提供了電機與負載間可電控切換的高效連接。離合器被用于通過滑輪、齒輪或帶輪連接兩個平行軸。同時防轉片或法蘭可防止現場(電磁)組件旋轉,轉子和電樞組件被安裝在單個軸上,轉子被固定在軸上。
  • 電樞采用軸承安裝,可以自由旋轉。當線圈通電時,電樞接合轉子的摩擦表面,從而驅動負載。

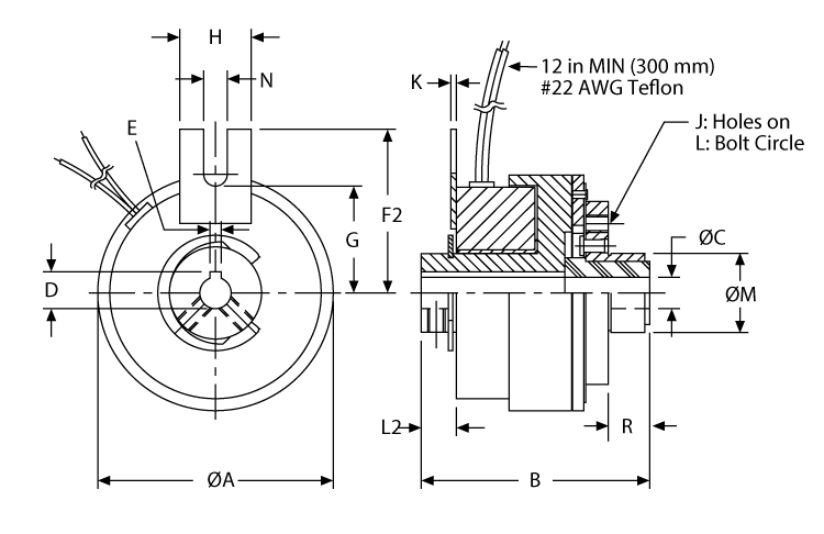
Dimensions

dimensions
尺寸價值
[C] Hub ID Ø, Min/Max10 毫米 
電樞孔10 毫米

Specifications

Specifications價值
(CB) [A] ODStarting 
(CB) [A] ODClutch 
(CB) [A] OD26 
Voltage24 Vdc 
Weight1.4 lb
材質鋼  
拋光拋光 

Get Quote

*Please fill out the information below so we can best assist you: