FSB-15B24-E02L
Can't find what you're looking for? Go to the Product Selector
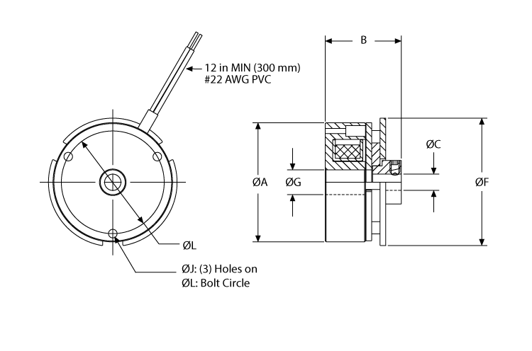
Brake, 摩擦, Power off Brake, FSB系列-15, 1.37 英寸 Outside Diameter, 0.1250 英寸 Bore, 24 Vdc, 1 in-lbs 靜態力矩, Long Hub
- 彈簧組電磁斷電制動器提供了一種在斷電時停止和/或保持負載的安全、有效的方法。
- 現場(電磁)組件通過法蘭被固定和防止旋轉,轉子組件被固定在軸上。在斷電時,固定和旋轉部件接合,從而停止和/或保持負載。
- 當線圈通電時,旋轉部件脫開,從而使軸能夠自由旋轉。
