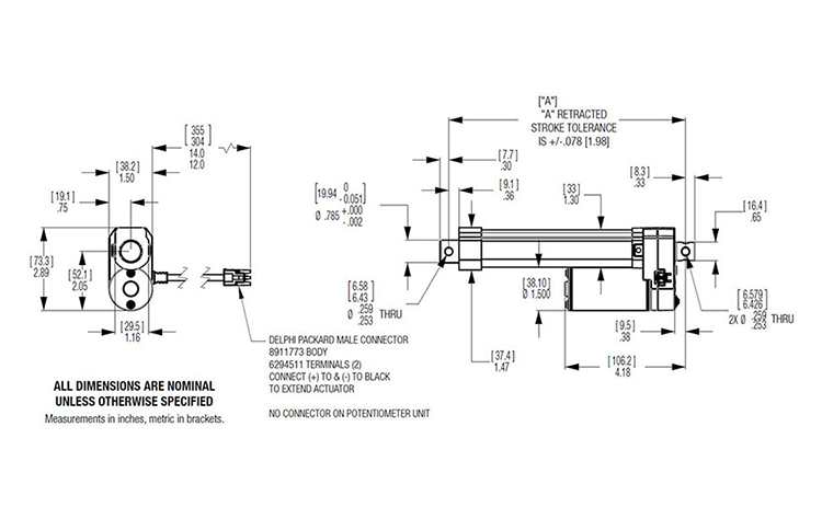
M1-D012-0100-A04-LP-B
Can't find what you're looking for? Go to the Product Selector
執行器, M-Track, 12 直流電壓伏特, 100 磅力, Connector
- Internal limit switches automatically shut off the unit at end of stroke.
- Optional potentiometer can provide positional location feedback.
- Rod is non rotating during operation, can be rotated for mounting purposes.
