MCS-26U24-M12
Can't find what you're looking for? Go to the Product Selector
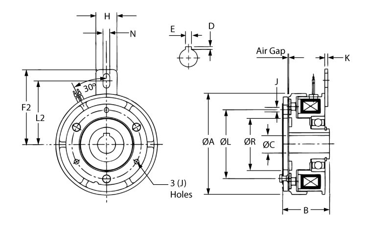
Clutch, 摩擦, Metric Shaft Mounted Clutch, MCS系列-26, 67.5 毫米 Outside Diameter, 12 毫米 Bore, 24 Vdc, 5.5 Nm 靜態力矩
- 這些裝置適用于小批量、大批量和高批量應用。
- 零側隙設計
- 靜態或動態嚙合
- 安裝簡單
- 高效節能
- 經濟成本
- 可用“現狀”或定制
- RoHS認證
