MG05B130-A00Q097
Can't find what you're looking for? Go to the Product Selector
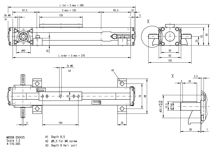
直線運動單元, Movopart M50, 皮帶 Drive, 棱柱 Guide, 0.20 毫米 Repeatability, 700 毫米 Stroke, 996 毫米 Overall Length, 單個標準滑塊, 130 毫米 Travel Per Shaft Rev, Shaft On Right Side, 4983.33 Maximum Linear Speed, 取代
- 取代
- 抗沖擊負載和振動
- 專利自調節棱形滑動導軌
- 低成本
