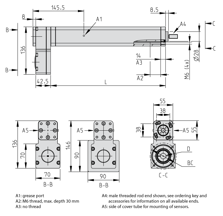
PC40PA107B05-0185CF1
Can't find what you're looking for? Go to the Product Selector
執(zhí)行器,精密, Motor not included, Belt Gear Drive, Parallel, 185 毫米 Stroke, 5 毫米 Travel Per Shaft Rev, No Brake, 6000 N
- 緊湊、堅固、可靠
- 標準防護等級為IP65
- 高精度滾珠螺母
- 不銹鋼延長管
- 不銹鋼外螺紋桿接頭
- 單點潤滑
- 大直徑滾珠絲杠
- 平滑外輪廓
- 安裝附件符合氣動ISO標準
