TSFB8-LS

TSFB8-LS
TSFB8-LS

直線軸承, 軸承座, 超級, 0.5 英寸, 閉合型, 雙, 自調心, 簡易密封, Flanged; 配合使用 0.5 英寸 直徑 L級 端部支撐應用中的軸


  • 用于末端支撐軸的封閉軸承座。
  • 用于L級導向軸
  • 每個軸承座中都有出廠安裝的滾珠襯套軸承
  • Super Ball Bushing bearing pillow blocks are provided with integral, double acting seals unless otherwise specified

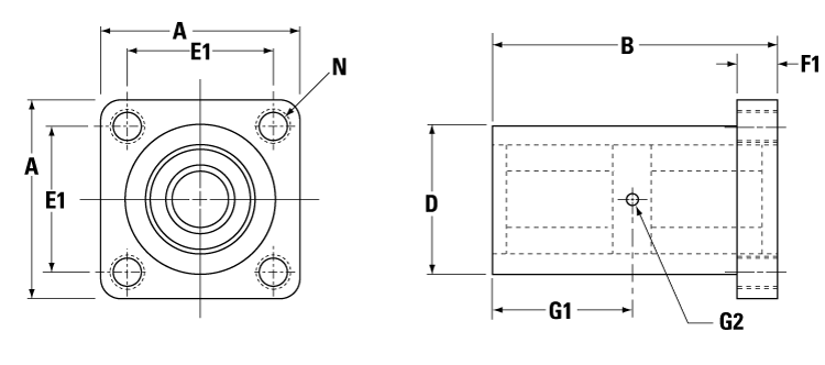
Dimensions

dimensions
尺寸價值
[A]1.63 英寸
[B]3.2 英寸
[D] 殼體直徑1.25 英寸
[d] 軸,標稱直徑0.5 英寸
[E1]1.25 英寸
[E1] 公差± 0.010 in 
[F1]0.9 英寸
[G1]1.6 英寸
[G2] 潤滑接口1/4-28 
[N]1/4-20 

Specifications

Specifications價值
Number of Ball Circuits
Temperature Max185 °F
UPC編號662486274131 
Weight0.4 lb
材質鋁合金;塑料;橡膠 
單/雙雙 
封閉/開放/可調節閉合型 
刮刷器,密封件簡易密封 
用于軸系L級 
自對準自調心 

Performance

performance graphic
performance graphic
performance graphic
Performance價值
負載能力,動態510 磅力

Get Quote

*Please fill out the information below so we can best assist you:

您想定期收到湯姆森電子郵件更新,包括應用故事,在線培訓的機會,新產品信息和鏈接在線設計工具。